Beschrijving
SMALDEURSLOT 92/45 PL/24MM VERZ.VOORPL.
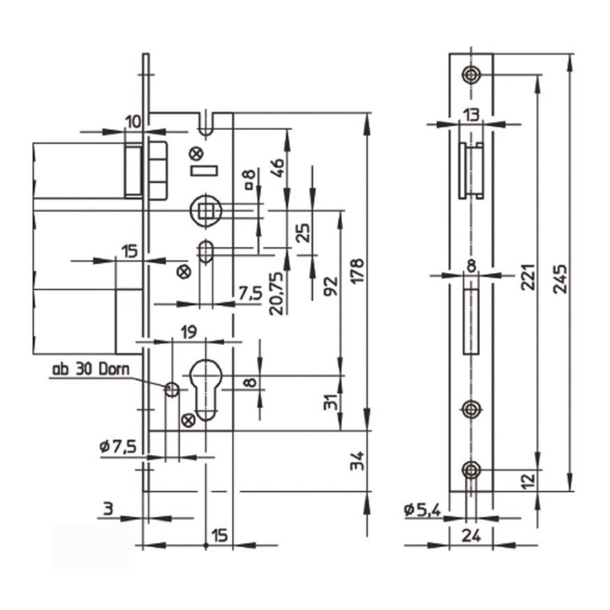
Technische gegevens
DOORNMAAT 45 mm
ASAFSTAND 92 mm
BREEDTE VOORPLAAT 24 mm
DRAAIRICHTING keerbaar
AANDRIJVING Mechanisch
KRUKNOOT 8 mm
LENGTE VOORPLAAT 245 mm
MATERIAAL VOORPLAAT Vernikkeld
MERK WILKA
MET SLUITPLAAT Nee
MONTAGE Insteek
PANIEKFUNCTIE Nee
TYPE DEUR Alu
TYPE SLOT 1-punt
TYPE SLUITPUNT dag/nacht
TYPE VOORPLAAT Hoekig
ZELFVERGRENDELEND Nee
Bijkomende informatie
| Barcode | |
|---|---|
| Leverancierscode | |
| Artikelgroep | |
| Merk |








