Beschrijving
fischer Gipsplaatplug GK
Art. nr. 52389
Kenmerken
Eenvoudige en snelle montage dankzij montagehulpstuk.
Groot draagvermogen door passende verbinding.
Minder ruimte achter plaat dankzij korte pluglengte.
Optimaal voor seriemontage.
Door de kruiskop in de kop van de plug kan de GK ook zonder montagehulpstuk als een schroef worden gedemonteerd.
Productomschrijving
De snelste manier van monteren in gipsplaat.
Voordelen
Het meegeleverde montagehulpstuk combineert de boor- en bevestigingszetfuncties. Dit maakt een snelle en eenvoudige installatie mogelijk.
De scherpe, zelfborende draad van de GK maakt een veilige passing mogelijk. Hierdoor is een zeer hoge belastbaarheid mogelijk.
Door de korte bevestigingslengte is er slechts weinig ruimte achter de plaat nodig. Hierdoor kan de GK ook worden gebruikt als de plaatdikte en diepte van de holte niet bekend zijn.
De GK kan makkelijk worden in- en uitgeschroefd dankzij de kruiskop in de kop van de plug..
De GK kan worden gebruikt in combinatie met de meeste schroeven, haken en ogen. Hierdoor zijn er vele toepassingen mogelijk.
De fischer Gipsplaatplug GK wordt gemaakt van kwalitatief hoogwaardig nylon. De plug wordt in de voorsteekmontage met het bijgevoegde montagehulpstuk en een accuschroevendraaier lijnend met het oppervlak in de gipsplaten gedraaid. Tot een plaatdikte van 15 mm hoeft niet voorgeboord te worden. De fischer GK kan hout-, plaat- en spaanplaatschroeven van 4 tot 5 mm dik, evenals diverse haken en ogen opnemen. Daarmee is hij universeel geschikt om schilderijen, lampen en elektrische installatie betrouwbaar en snel te bevestigen.
Technische gegevens
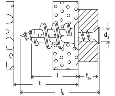
Pluglengte (l) 22 mm
Min. afstand tot de eerste dragende laag (t) 25 mm
Afmeting schroef (ds x ls) 4,0 – 5,0 x Ls mm
Soort verpakking Doos
Hoeveelheid 100 St.
GTIN (EAN-Code) 4006209523896
Montage instructies
Functie
De gipsplaat GK is geschikt voor doorsteekmontage.
De GK wordt vlak in de gipsplaat geschroefd met behulp van het meegeleverde montagehulpstuk. Voorkom dat de bevestiging te vast wordt aangedraaid. Het montagekoppel moet daarom worden beperkt, wanneer er een accuschroevendraaier wordt gebruikt.
Aangepast voor hout-, zelfborende- en spaanplaatschroeven met diameter 4,0 tot 5,0 mm.
Bij plaatdiktes groter dan 15 mm dient voor montage met behulp van het indraaihulpstuk een gat geboord te worden.
Niet geschikt voor gipsvezelplaten en betegelde gipsplaten.










